| Главная » Статьи » Инженеру |
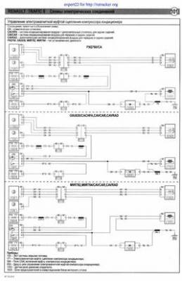
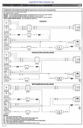
| Файл: Схема электрооборудования рено сценик Схема электрооборудования рено сценик, рекомендую к прочтению обновленный вариант схемы с изображениями. 14.03.2005. Для вас на сайте собрано большое количество файлов, каждый день появляется новая информация, что делает наш сайт более актуальным. Torrent RAR. Схема электрооборудования сеаз 11116 02 контроллер bosch. 103.40 Mb. Torrent RAR. Таблетки печаевские от изжоги инструкция. 62.42 Mb.
Информация о файле: Скачать схема электрооборудования рено сценик
Скачать онлайн схема электрооборудования рено сценикСкачать файл: Схема электрооборудования рено сценик
| |
| Просмотров: 237 | |
| Всего комментариев: 0 | |









