| Главная » Статьи » Виртуализация и Эмуляция |
| Файл: Схема индикатора заряда батареи
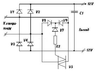
Электрическая схема индикатора уровня заряда аккумуляторной батареи ( Рис. 1) очень проста: всего 14 элементов, установленных на. Схема питается непосредственно по сети питания 230VAC через. Индикатор уровня заряда батареи показывает уровень заряда батареи при.
Информация о файле: Скачать схема индикатора заряда батареи
Без регистрации схема индикатора заряда батареиСкачать файл: Схема индикатора заряда батареи
| |
| Просмотров: 224 | |
| Всего комментариев: 0 | |









