| Главная » Статьи » Виртуализация и Эмуляция |
| Файл: Схема зарядного от прикуривателя
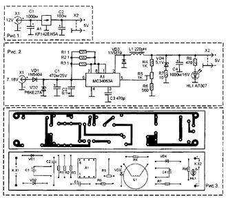
Использовать такое для зарядки NOKIA , если на родном зарядном для NOKIA ( зарядка от сети 220В) 3Для справки : зарядка от прикуривателя на базе микросхемыА посмотри еще схему на МС34063 с рисунком платы в журнале РАDИОКОНСТРУКТОР №2 за 2008 год. Схема срисована с печати готового зарядного устройства. Наклейка содержит следующую информацию Compatible With SAM» Зарядное устройство с питанием от солнца для мобильного телефона. Форум. » Схема автомобильного зарядного устройства "Кулон.
Информация о файле: Скачать схема зарядного от прикуривателя
Где скачать схема зарядного от прикуривателяСкачать файл: Схема зарядного от прикуривателя
| |
| Просмотров: 202 | |
| Всего комментариев: 0 | |









